MWMECH
MWG-1908
はい
熱間ダイス鋼、SUJ2、SKD11、S45C
| 可用性ステータス: | |
|---|---|
| 数量: | |
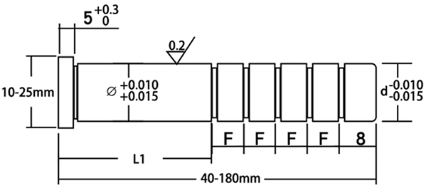
ガイド ピラーは、金型内の他のコンポーネントと組み合わせて使用され、金型が正確な位置と経路で移動するようにします。通常、肩と油溝のある円筒形です。材質はSUJ2、熱間ダイス鋼、易転鏝等が一般的です。金型の磨耗や破損を防ぎ、プレートからの脱着が可能なためメンテナンスも容易です。
ガイドピラーの丸みは非常に重要です。外径を研削するために、円筒研削盤はガイドピラーが回転できるように、テープの中心をその中心穴に当てなければなりません。
ガイドピラーは用途に応じて、カーモールド用、単独使用、ダイフレーム用、アンロードプレート用などがあります。
通常、内側の円筒面は ø32H7、Ra0.2um です。外側円筒面 ø45R6、Ra0.4um。
硬度: 58-62HRC
表面粗さ: Ra0.4-0.8
精度公差: +/-0.005mm
同心度: +/-0.01mm
真直度公差:0.002mm
真円度公差:0.002mm
表面処理:浸炭熱処理
用途:プレス金型、ダイカスト金型、プラスチック金型
レギュラーサイズスコープ
![]() | ![]() | ![]() |
レギュラーサイズ GPガイドピラーガイドブッシュ 在庫あり
明確な図面を提供する必要があります 当社のエンジニアが完全に理解できるように、要件と要件。
以下のような精密機械部品も供給できます。
CNC加工部品、
アッセンブルラインパンチ、
アッセンブルラインヘッドパンチ、
アッセンブルライン接続 -アダプターパーツ、
ライン取り付けプレート コンポーネントを組み立てます。
組立ラインメタルグリッパー、
ライン ガイドの袖を組み立てて下さい、
ラインオリエンテーションインサートを組み立てます,
ラインフランジコネクタ部品を組み立て、
組立ライン装置、
Assemble Line用オリエンテーションパーツ、
組立ライン用測定部品、
検査部品、
非標準の金属分割カッターはラインツーリングを組み立てます…
顧客は、オファー価格と処理のために標準コードと図面を提供する必要があります。
良好な一貫性、安定した品質、公差 +/-0.005。
レギュラーサイズのクイックリードタイムは5~7日です。
内側: プラスチック バッグ、PE バッグ、または防錆油を入れたプラスチック シールと外側のカートン ボックス、またはその他の安全なパッケージ。
![]() | ![]() |
金型付属品の主な表面処理方法は、電気メッキ、スプレー、研磨、陽極酸化、黒色化などです。
機能は、金型部品の外観、耐食性、耐摩耗性を向上させることです。以下のように、それぞれ独自の使用環境と条件があります。
鋼材電気めっき
電気めっき - 電気めっきは、精密金型部品の表面を金属膜の層で処理する方法です。クロム、亜鉛、ニッケルなどのさまざまな金属が、さまざまなユーティリティ環境でコーティングとして使用されています。
用途: 寸法精度の要求が低い部品に使用されます。電気めっきは厚みの均一性をコントロールするのが難しいため、寸法精度が高い場合は精度を確保するための付帯加工が必要になります。
鋼材溶射
溶射とは、精密金型部品の表面に皮膜を吹き付ける処理方法です。
用途:高い寸法精度と高い耐摩耗性が要求される部品の最終表面処理として使用できます。
鋼材研磨
研磨とは、表面を滑らかで平らなバリのない状態にすることです。
用途:金型部品の外観、微細粗さ、耐摩耗性の向上。
一般的な鋼の黒化
黒化とは、金型部品の表面を処理する方法を指します 黒色酸化膜の層に。
用途: 金型部品材料の一種としての普通鋼。性能のニーズと耐食性の要件が高くない場合、黒化処理はコストを節約できます。
アルミニウム陽極酸化
陽極酸化 - 陽極酸化とは、金型部品の表面を酸化膜の層に処理することを指します。
用途:硬度が低いため、通常は金型の補助具として使用されます。
必要に応じて、多くの表面処理を選択できます。以下は、私たちが使用するいくつかの通常の方法です。
よくある質問
Q:どんなサービスができますか?
A: OEM/ODM。価格が確認された後に無料のサンプルを入手できますが、サンプルの貨物を共有する必要があります。顧客の図面またはサンプルごとに部品を製造します。お客様の知的財産保護の観点から、お客様の同一製品を第三者に販売することはありません。
Q: 正確な見積もりのために、顧客はどのようなデータを提供する必要がありますか?
A: デッサンかサンプル、量、許容、標準、材料、表面仕上げ、他の特別な条件、等。
Q: 配送方法は何ですか?
A: DHL、EMS、UPS、陸上輸送または海上輸送が利用可能です。
Q: どのように品質管理を保証しますか?
A:注文ごとにテストレポートと材料組成証明書を使用した完全な検査と、欠陥製品の無料修理または交換のための1年間のアフターサービス。修理率はほぼゼロ、不良品はすべて無料で交換または修理。
Q: リードタイムはどのくらいですか?
A: 量までの 10-30days。
Q:どんな表面処理に対応できますか?
A:窒化チタン(TiN)、TiCN、チタンメッキ、黒染、浸炭、亜鉛メッキ、亜鉛メッキ、 亜鉛メッキ、クロムメッキなど
Q: あなたの支払条件は?
A: T/T、L/C、ウェスタン ユニオン、PayPal など。
ガイド ピラーは、金型内の他のコンポーネントと組み合わせて使用され、金型が正確な位置と経路で移動するようにします。通常、肩と油溝のある円筒形です。材質はSUJ2、熱間ダイス鋼、易転鏝等が一般的です。金型の磨耗や破損を防ぎ、プレートからの脱着が可能なためメンテナンスも容易です。
ガイドピラーの丸みは非常に重要です。外径を研削するために、円筒研削盤はガイドピラーが回転できるように、テープの中心をその中心穴に当てなければなりません。
ガイドピラーは用途に応じて、カーモールド用、単独使用、ダイフレーム用、アンロードプレート用などがあります。
通常、内側の円筒面は ø32H7、Ra0.2um です。外側円筒面 ø45R6、Ra0.4um。
硬度: 58-62HRC
表面粗さ: Ra0.4-0.8
精度公差: +/-0.005mm
同心度: +/-0.01mm
真直度公差:0.002mm
真円度公差:0.002mm
表面処理:浸炭熱処理
用途:プレス金型、ダイカスト金型、プラスチック金型
レギュラーサイズスコープ
![]() | ![]() | ![]() |
レギュラーサイズ GPガイドピラーガイドブッシュ 在庫あり
明確な図面を提供する必要があります 当社のエンジニアが完全に理解できるように、要件と要件。
以下のような精密機械部品も供給できます。
CNC加工部品、
アッセンブルラインパンチ、
アッセンブルラインヘッドパンチ、
アッセンブルライン接続 -アダプターパーツ、
ライン取り付けプレート コンポーネントを組み立てます。
組立ラインメタルグリッパー、
ライン ガイドの袖を組み立てて下さい、
ラインオリエンテーションインサートを組み立てます,
ラインフランジコネクタ部品を組み立て、
組立ライン装置、
Assemble Line用オリエンテーションパーツ、
組立ライン用測定部品、
検査部品、
非標準の金属分割カッターはラインツーリングを組み立てます…
顧客は、オファー価格と処理のために標準コードと図面を提供する必要があります。
良好な一貫性、安定した品質、公差 +/-0.005。
レギュラーサイズのクイックリードタイムは5~7日です。
内側: プラスチック バッグ、PE バッグ、または防錆油を入れたプラスチック シールと外側のカートン ボックス、またはその他の安全なパッケージ。
![]() | ![]() |
金型付属品の主な表面処理方法は、電気メッキ、スプレー、研磨、陽極酸化、黒色化などです。
機能は、金型部品の外観、耐食性、耐摩耗性を向上させることです。以下のように、それぞれ独自の使用環境と条件があります。
鋼材電気めっき
電気めっき - 電気めっきは、精密金型部品の表面を金属膜の層で処理する方法です。クロム、亜鉛、ニッケルなどのさまざまな金属が、さまざまなユーティリティ環境でコーティングとして使用されています。
用途: 寸法精度の要求が低い部品に使用されます。電気めっきは厚みの均一性をコントロールするのが難しいため、寸法精度が高い場合は精度を確保するための付帯加工が必要になります。
鋼材溶射
溶射とは、精密金型部品の表面に皮膜を吹き付ける処理方法です。
用途:高い寸法精度と高い耐摩耗性が要求される部品の最終表面処理として使用できます。
鋼材研磨
研磨とは、表面を滑らかで平らなバリのない状態にすることです。
用途:金型部品の外観、微細粗さ、耐摩耗性の向上。
一般的な鋼の黒化
黒化とは、金型部品の表面を処理する方法を指します 黒色酸化膜の層に。
用途: 金型部品材料の一種としての普通鋼。性能のニーズと耐食性の要件が高くない場合、黒化処理はコストを節約できます。
アルミニウム陽極酸化
陽極酸化 - 陽極酸化とは、金型部品の表面を酸化膜の層に処理することを指します。
用途:硬度が低いため、通常は金型の補助具として使用されます。
必要に応じて、多くの表面処理を選択できます。以下は、私たちが使用するいくつかの通常の方法です。
よくある質問
Q:どんなサービスができますか?
A: OEM/ODM。価格が確認された後に無料のサンプルを入手できますが、サンプルの貨物を共有する必要があります。顧客の図面またはサンプルごとに部品を製造します。お客様の知的財産保護の観点から、お客様の同一製品を第三者に販売することはありません。
Q: 正確な見積もりのために、顧客はどのようなデータを提供する必要がありますか?
A: デッサンかサンプル、量、許容、標準、材料、表面仕上げ、他の特別な条件、等。
Q: 配送方法は何ですか?
A: DHL、EMS、UPS、陸上輸送または海上輸送が利用可能です。
Q: どのように品質管理を保証しますか?
A:注文ごとにテストレポートと材料組成証明書を使用した完全な検査と、欠陥製品の無料修理または交換のための1年間のアフターサービス。修理率はほぼゼロ、不良品はすべて無料で交換または修理。
Q: リードタイムはどのくらいですか?
A: 量までの 10-30days。
Q:どんな表面処理に対応できますか?
A:窒化チタン(TiN)、TiCN、チタンメッキ、黒染、浸炭、亜鉛メッキ、亜鉛メッキ、 亜鉛メッキ、クロムメッキなど
Q: あなたの支払条件は?
A: T/T、L/C、ウェスタン ユニオン、PayPal など。